


空调接线专项培训!小小接线其实不简单!发布日期:(2019-5-31) 点击次数:1526 |
|
|
空调在安装、维修过程中需要接线的情况还是很多的,尤其是在加长连接线的过程中,个别师傅由于未按标准操作,导致烧坏电源线、主板电器元件、保险管以及产生通讯故障的情况很多,今天在此分享接线的一系列操作标准及注意事项,具体如下: 一、加长连接线接驳 1、检查电源线是否老化漏电?漏电开关保护是否合格?有无接地线,插座电路是否左零右火? 2、检查电源电压是否正常?空调器的电源电压为单相220V~或三相380V 3N ~,电源频率为50Hz,其电压波动范围是±10%,如不符应采取稳压措施;
3、根据下表要求,检查用户家的电源线是否能承受负荷
某区域曾发生一茶楼安装1台柜机,未检查茶楼电源线(4m㎡铝线)是否能承受负荷,匆忙安装,结果因为铝线着火引发火灾的严重事故。
4、加长线的要求 (1)380V电压的不允许接驳,必须更换整根电源线; (2)220V 电源连接线如需要加长,必须选用和原导线相同直径和材质的铜线,禁止使用铝线或铜铝线相接(自购线时必须用验明材质); (3)采用同色线接驳或替换使用必须有标识,方便区分接线和维修;避免接错产生严重后果(120机接驳线经常出现该类问题); (4)将连接线接驳点置于室内,禁止将接驳接头置于内机后侧,防止凝露 漏水造成短路。
A:不能确定铜连接线的平方数,可以通过数铜丝根数来判断; B:不能确定连接线是铜或铝镀铜,可用打火机燃烧,铝镀铜的铜丝烧红后 下垂很快烧断,铜丝不会(原因:铜的熔点是1085度,铝的熔点是660度)。
判定技巧: 在购买之前,用打火机烧电源线线芯,若线芯被烧熔下垂,则该电源线为铜包铝线,不符合使用要求(丁烷火焰温度:500℃ 左右,铝熔点:660.4℃,铜熔点:1083.4℃)。
5、接驳要求 (1)接触电阻尽可能小,对接铜线线径要相同,禁止使用铝线或铜铝线 接驳; (2)接驳可靠性:接驳好后用约8KG的力拉,不会松脱; (3)接头保护:接头应耐腐蚀、耐氧化,必须对接头位置进行锡焊保证牢靠,并用绝缘胶布或热缩套管包扎,保证绝缘有效性; (4)接头位置:接头尽量置于室内,但禁止接头放在内机后侧,禁止把接头裸露在室外,避免凝露造成短路。
第一步:多股导线连接时各接驳点需错开,间隔距离约为5CM合适;
第二步:剥去绝缘层(约2CM),把露出的铜丝分成三小股;
第三步:从每根铜线选择另一端铜丝交叉拧紧,形成三股铜丝;
第四步:把拧紧的三股铜丝扳倒,沿主铜丝旋紧;
第五步:把另外的电源线按以上方式拧紧;
第六步:对接头进行锡焊;
第六步:用绝缘电工胶布或热缩管套对接头进行包扎;
6、在接线板上接线注意事项 (1)每展伸1根连接线必须在两端用绝缘胶布分别缠绕不同环数作为标识; (2)剥去线两端的绝缘胶皮(长度约2CM),把铜丝拧紧弯成环状; (3)穿上固定螺栓按色环数分别固定在内机相应接线板的接线位上。
7、整理连接线 把线用绝缘胶布缠绕成束,并用压线夹压紧防止线被拉脱。
二、风机电机接线 主要故障机型集中在风管、盘管FG、PG电机,以下以风机盘管机FP-85WA-K为例:
如需重接时,必须按电机铭牌上的线路图、电器接线图接线
维修人员在重接FG、PG电机线(风管、盘管电机)时,接线要 按电机铭牌上的线路图接线,即如下线路图所示:黑、黄、 蓝为高、中、低、三根挡位线,白线为零线。
如果把白线(零线)与黑、黄、蓝、橙中任意一条线接反,一旦接错,则就会烧坏绕组(线圈)。如下图:
三、压缩机接线
严禁将压机线接驳或更换插片端子,否则会出现线路、端子 烧坏情况
注:配线出现异常时,需按要求更换新的合格配线,接线时务必确保连接牢固可靠。 四、典型案例 1、案例1 现象:加长线后高压开关线接火线L线、负载(压机、风机)线上,过流保 护器上PCB板铜皮烧断;主要集中的机型有:清新风、空调贵族、风韵柜机、悦风柜机、天井机等,烧坏如下图。
结论:如用户加长线时,高压保护开关线与控制压缩机线(或其它负载)接反,上电几秒后主板上的保险管会烧断,原理图如下:
验证: 如果对调高压保护开关线与控制压缩机线时,本身控制N线的高压保护开关线另一端变成接L线,就造成L与N线短路,线上最薄弱的地方就是保险管,所以必先烧保险管,而过流保护器上线路不会被烧断。如果遇到上电几秒烧主板保险管就要注意是否已接错线。
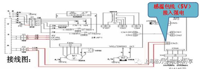
2、 案例2 现象:柜机将强电接到感温包线路烧显示板感温包线路器件;
分析:室内显示板上的排气感温包线要引到室外机上;如加长线后将强电与感温包线接在一起,感温包电路元器件烧坏。
3、案例3 现象:三相120柜机零火线接错,压变压器线圈烧毁,PTC爆炸,漆包线骨架热熔
结论:3相电火线、零线接反,接入380V电压导致电源变压器初级烧毁
4、案例4 现象:天井机485通讯电路元器件烧坏,特别是485电路的限流电阻。
结论:端子应接入的是信号线,都是5V的弱电信号,如果接入强电220V后,整个电路将被烧坏
以上接线方法及注意事项,望大家认真学习,严格按照标准操作,规范接线。 |
|
| 上一篇:制冷系统41问答题 | 下一篇:空调不制热原因可能有六种 |